Constrution & Specifications
제품정보
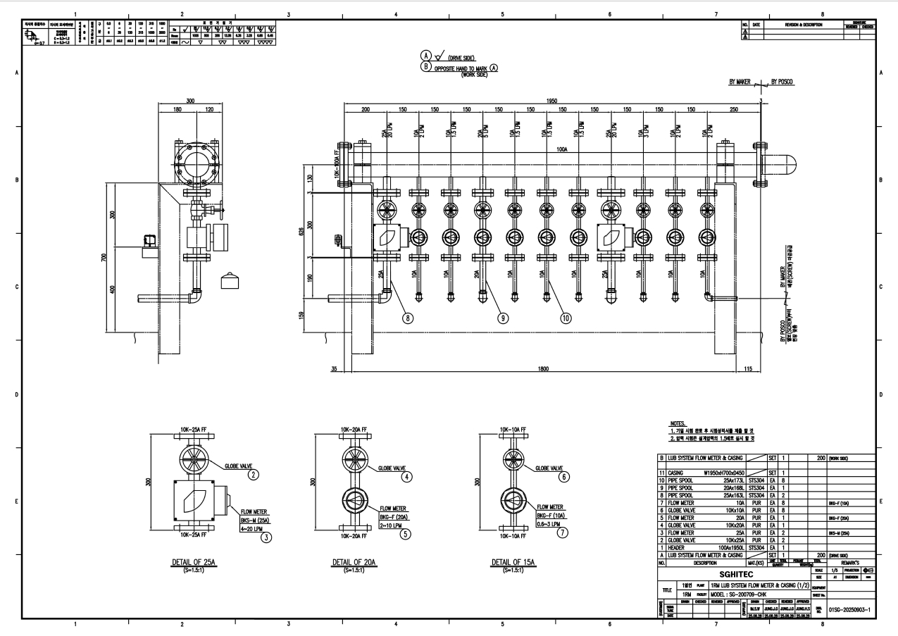
1열연_1RM LUB SYSTEM FLOW METER & CASING (윤활 시스템 유량계 및 케이싱)
1RM LUB SYSTEM FLOW METER & CASING은 압연기(Rolling Mill, RM)의 핵심 구동부에 안정적인 윤활유(LUB Oil)를 정밀하게 공급하고 유량을 관리하기 위해 설계된 시스템입니다。 이 시스템은 윤활유 분배 헤더, 정밀 유량계, 유량 조절 밸브를 일체형 케이싱 내에 통합하여 현장 설치 및 유지보수의 효율성을 극대화합니다.
-
품질 및 시험 기준 :
- 기밀 시험 (Air Tightness Test): 제품 출고 전, 전체 시스템에 대해 기밀 시험을 실시
- 시험 압력: 기밀 시험은 실사용 압력의 배로 실시
- 플랜지 규격: 배관 연결 플랜지는 규격을 주로 사용

-
부품 목록 상세(Detailed Parts List)
NO. DESCRIPTION (품명) SPEC. (규격) MAT.(재질) UNIT QUANTITY (수량) REMARK’S (비고)1 HEADER (헤더) 100A×1950L STS304 EA 1 2 GLOBE VALVE (글로브 밸브) 10K×25A PUR EA 2 3 FLOW METER (유량계) 25A PUR EA 2 BKS-M (25A) 4 GLOBE VALVE 10K×20A PUR EA 1 5 FLOW METER 20A PUR EA 1 BKG-F (20A) 6 GLOBE VALVE 10K×10A PUR EA 8 7 FLOW METER 10A PUR EA 8 BKG-F (10A) 8 PIPE SPOOL (파이프 스풀) 25A×163L STS304 EA 2 9 PIPE SPOOL 20A×168L STS304 EA 1 10 PIPE SPOOL 25A×173L STS304 EA 8 11 CASING (케이싱) W1950×H700×D450SET 1